太阳集团tyc4633阀门 > 产品中心 > 正文

| 公称压力 (MPa) |
试验压力(MPa) | 工作温度(℃) | 适用介质 | |
| 壳体 | 密封 | |||
| 1.0 | 1.5 | 1.1 | 橡胶≤80℃ | 糖浆、纸浆、污水、煤浆 灰、渣水混和物 |
| 1.6 | 2.4 | 1.8 | H≤425℃ | |
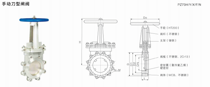
| 体、盖 | 闸板 | 阀杆 | 密封面 |
| 不锈钢碳钢 | 碳钢不锈钢 | 不锈钢 | 橡胶、四氟不锈钢、硬质合金 |
| 公称压力 PN(MPa) |
公称通径 DN |
L | D | D1 | D2 | H | N-M | D0 |
| 1.0 | 50 | 48 | 160 | 125 | 100 | 285 | 4-M16 | 180 |
| 65 | 48 | 180 | 145 | 120 | 298 | 4-M16 | 180 | |
| 80 | 50 | 195 | 160 | 135 | 315 | 8-M16 | 220 | |
| 100 | 50 | 215 | 180 | 155 | 365 | 8-M16 | 220 | |
| 125 | 52 | 245 | 210 | 185 | 400 | 8-M16 | 230 | |
| 150 | 57 | 280 | 240 | 210 | 475 | 8-M20 | 280 | |
| 200 | 60 | 335 | 295 | 265 | 540 | 8-M20 | 360 | |
| 250 | 70 | 390 | 350 | 320 | 630 | 12-M20 | 360 | |
| 300 | 76 | 440 | 400 | 368 | 780 | 12-M20 | 400 | |
| 350 | 89 | 500 | 460 | 428 | 885 | 16-M20 | 400 | |
| 400 | 98 | 565 | 515 | 482 | 990 | 16-M22 | 400 | |
| 450 | 110 | 615 | 565 | 532 | 1100 | 20-M22 | 530 | |
| 500 | 114 | 670 | 620 | 585 | 1200 | 20-M22 | 530 | |
| 600 | 114 | 780 | 725 | 685 | 1450 | 20-M27 | 600 | |
| 1.6 | 50 | 48 | 160 | 125 | 100 | 285 | 4-M16 | 180 |
| 65 | 48 | 185 | 145 | 120 | 295 | 4-M16 | 180 | |
| 80 | 50 | 200 | 160 | 135 | 315 | 8-M16 | 220 | |
| 100 | 50 | 220 | 180 | 155 | 365 | 8-M16 | 220 | |
| 125 | 52 | 250 | 210 | 185 | 400 | 8-M16 | 230 | |
| 150 | 57 | 285 | 240 | 210 | 475 | 8-M20 | 280 | |
| 200 | 60 | 340 | 295 | 265 | 540 | 12-M20 | 360 | |
| 250 | 70 | 405 | 355 | 320 | 630 | 12-M22 | 360 | |
| 300 | 76 | 460 | 410 | 375 | 780 | 12-M22 | 400 | |
| 350 | 89 | 520 | 470 | 435 | 885 | 16-M22 | 400 | |
| 400 | 98 | 580 | 525 | 485 | 990 | 16-M27 | 400 | |
| 450 | 110 | 640 | 585 | 545 | 1100 | 20-M27 | 530 | |
| 500 | 114 | 715 | 650 | 608 | 1200 | 20-M30 | 530 | |
| 600 | 114 | 840 | 770 | 718 | 1450 | 20-M36 | 600 |
标签: 太阳集团tyc4633阀门, 阀门
注:产品资料仅供参考,如有疑问请与我司联系!